TLE49215U 报价及技术资料(附PDF文档)
DATASHEET PDF
49215.pdf
Features
· Advanced performance
· High sensitivity
· Symmetrical thresholds
· High piezo resistivity
· Reduced power consumption
· South and north pole pre-induction possible
· AC coupled
· Digital output signal
· Two-wire and three-wire configuration possible
· Large temperature range
· Large airgap
· Low cut-off frequency
· Protection against overvoltage
· Protection against reversed polarity
· Output protection against electrical disturbances
The differential Hall Effect sensor TLE 4921-5U provides a high sensitivity and a
superior stability over temperature and symmetrical thresholds in order to achieve a
stable duty cycle. TLE 4921-5U is particularly suitable for rotational speed detection
and timing applications of ferromagnetic toothed wheels such as anti-lock braking
systems, transmissions, crankshafts, etc. The integrated circuit (based on Hall
effect) provides a digital signal output with frequency proportional to the speed of
rotation. Unlike other rotational sensors differential Hall ICs are not influenced by
radial vibration within the effective airgap of the sensor and require no external
signal processing.
Functional Description
TLE4921-5U
The Differential Hall Sensor IC detects the motion and position of ferromagnetic
and permanent magnet structures by measuring the differential flux density of the
magnetic field. To detect ferromagnetic objects the magnetic field must be provided
by a back biasing permanent magnet (south or north pole of the magnet attached
to the rear unmarked side of the IC package).
Using an external capacitor the generated Hall voltage signal is slowly adjusted via
an active high pass filter with a low cut-off frequency. This causes the output to
switch into a biased mode after a time constant is elapsed. The time constant is
determined by the external capacitor. Filtering avoids ageing and temperature
influence from Schmitt-trigger input and eliminates device and magnetic offset.
The TLE 4921-5U can be exploited to detect toothed wheel rotation in a rough
environment. Jolts against the toothed wheel and ripple have no influence on the
output signal.
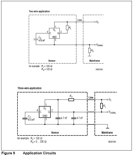
Furthermore, the TLE 4921-5U can be operated in a two-wire as well as in a three-
wire-configuration.
The output is logic compatible by high/low levels regarding on and off.
Circuit Description (see Figure 2)
The TLE 4921-5U is comprised of a supply voltage reference, a pair of Hall probes
spaced at
trigger, and an open collector output.
The TLE 4921-5U was designed to have a wide range of application parameter
variations. Differential fields up to ± 80 mT can be detected without influence
to the switching performance. The pre-induction field can either come from a
magnetic south or north pole, whereby the field strength up to 500 mT or
more will not influence the switching points. The improved temperature
compensation enables a superior sensitivity and accuracy over the
temperature range. Finally the optimised piezo compensation and the
integrated dynamic offset compensation enable easy manufacturing and
elimination of magnet offsets.
Protection is provided at the input/supply (pin 1) for overvoltage and reverse
polarity and against over-stress such as load dump, etc., in accordance with
ISO-TR 7637 and DIN 40839. The output (pin 2) is protected against voltage peaks
and electrical disturbances.



















上一篇:UGS3059KA and UGx3060KA 技术资料及报价(附PDF文档) 2026-03-17
下一篇:MLX90217LUA 技术资料及报价(附PDF文档) 2026-03-17

收藏本站
当前位置:






