A3967 技术资料及报价(附PDF文档)
A3967
Microstepping Driver with Translator
Sumzi Electronics Co., Ltd
3967.pdf
Features
- ±750 mA, 30 V Output Rating
- Satlington® Sink Drivers
- Automatic Current Decay Mode Detection/Selection
- 3.0 V to 5.5 V Logic Supply Voltage Range
- Mixed, Fast, and Slow Current-Decay Modes
- Internal UVLO and Thermal Shutdown Circuitry
- Crossover-Current Protection
Description
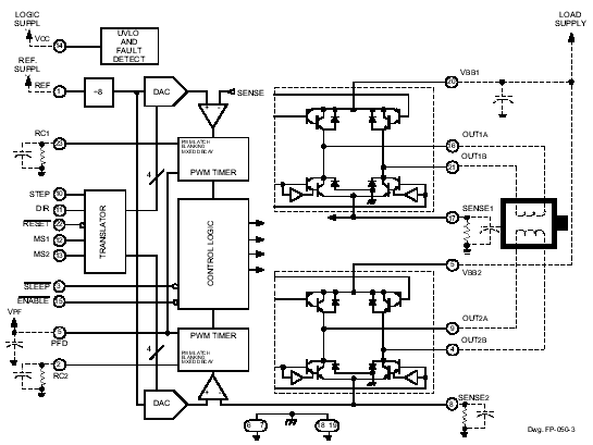
The A3967SLB is a complete microstepping motor driver with built-in translator. It is designed to operate bipolar stepper motors in full-, half-, quarter-, and eighth-step modes, with output drive capability of 30 V and ±750 mA. The A3967SLB includes a fixed off-time current regulator that has the ability to operate in slow, fast, or mixed current-decay modes. This current-decay control scheme results in reduced audible motor noise, increased step accuracy, and reduced power dissipation.
The translator is the key to the easy implementation of the A3967SLB. By simply inputting one pulse on the STEP input the motor will take one step (full, half, quarter, or eighth depending on two logic inputs). There are no phase-sequence tables, high-frequency control lines, or complex interfaces to program. The A3967SLB interface is an ideal fit for applications where a complex µP is unavailable or over-burdened.
Internal circuit protection includes thermal shutdown with hysteresis, under-voltage lockout (UVLO) and crossover-current protection. Special power-up sequencing is not required.
The A3967SLB is supplied in a 24-lead SOIC with copper batwing tabs. The tabs are at ground potential and need no insulation. A leadfree (100% matte tin leadframe) version is also available.
Functional Block Diagram
| Part Number | Package Type | RoHS | Temperature |
| Compliant | |||
| A3967SLB | 24-lead SOIC | No | -20 °C to 85 °C |
| A3967SLB-T | 24-lead SOIC | Yes | -20 °C to 85 °C |
| A3967SLBTR | 24-lead SOIC | No | -20 °C to 85 °C |
| A3967SLBTR-T | 24-lead SOIC | Yes | -20 °C to 85 °C |
上一篇:A3966 技术资料及报价(附PDF文档) 2026-03-14
下一篇:A3973 技术资料及报价(附PDF文档) 2026-03-14

收藏本站
当前位置:






