现货A3936(ALLEGRO)销售,提供技术参数及咨询:0755-83283733
【产品名称】A3936
【产品类别】发动机控制驱动器
【产品规格】PLCC-44
【生产厂家】ALLEGRO
【技术参数】A3936 技术参数
A3936
Three-Phase Motor Controller / Driver with Integrated 3 A DMOS Drivers
Features
- ±3 A, 50 V Continuous Output Rating
- Low rDS(on) Outputs (typically 500 milliohm source, 315 milliohm sink)
- Configurable Mixed, Fast and Slow Current-Decay Modes
- Synchronous Rectification for Low Power Dissipation
- Internal UVLO and Thermal-Shutdown Circuitry
- Crossover-Current Protection
- Tachometer Output for External Speed-Control Loop
Description
Designed for pulse-width modulated (PWM) current control of three-phase brushless dc motors, the A3936SED is capable of peak output currents to ±3 A and operating voltages to 50 V. Internal fixed off-time PWM current-control timing circuitry can be configured to operate in slow-, fast- and mixed-decay modes.
Internal synchronous rectification control circuitry is provided to improve power dissipation during PWM operation. Internal circuit protection includes thermal shutdown with hysteresis, and crossover current protection. Special power-up sequencing is not required.
The A3936 is supplied in a 44-pin plastic PLCC with internally fused leads (three on each side) for enhanced heat dissipation. These leads are at ground potential and need no electrical isolation. This device is also available in a lead (Pb) free version, with 100% matte tin leadframe plating.
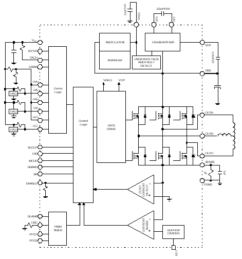
Functional Block Diagram

|
Complete Part Numbers |
|||
| Part Number | Package Type | RoHS | Temperature |
| Compliant | |||
| A3936SED | 44-lead PLCC | No | -20 °C to 85 °C |
| A3936SED-T | 44-lead PLCC | Yes | -20 °C to 85 °C |
| A3936SEDTR | 44-lead PLCC | No | -20 °C to 85 °C |
| A3936SEDTR-T | 44-lead PLCC | Yes | -20 °C to 85 °C |
询价热线:
0755-83283733, 83031813,33062500
QQ:623069669
MSN:sumzi003@sumzi.com sumzi006@sumzi.com
Email:sumzi@sumzi.com
http://www.sumzi.com
下一篇:L298 霍尔传感器及步进机驱动IC优势分销商,原装现货、量大可接受订货,提供技术资料及报价 0755-83283733 2026-02-11

收藏本站
当前位置:






