NJM2626 技术资料及报价(附PDF文档)欢迎咨询
响拇指报价热线:
0755-83031813,83283733, 33062500
QQ:623069669
MSN:sumzi003@sumzi.com sumzi006@sumzi.com
Email:sumzi@sumzi.com
http://www.sumzi.com
DATASHEET PDF
NJM2626.pdf
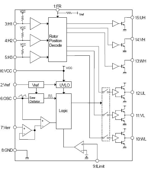
GENERALDESCRIPTION
The NJM2626 is a 3-phase DC brush less motor control
pre-driver IC with PWM control.
It takes hall IC inputs and generates motor driving
waveform.
Output pre-driver is optimized to work with external power
MOS transistors for better power handling.
The NJM2626 can easily implement 3-phase DC motor
application with speed control feature.
PACKAGE OUTLINE
NJM2626V
FEATURES
o Operating Voltage
o Pre-driver circuit
6 to 26V
Lower arm : (Iout=+30mA/-30mATYP.)
Upper arm : (Iout=30mATYP.)
o Current limit sense voltage (Current limit=0.5V±10%)
o Internal Oscillator
(Frequency control for external capacitor)
o Forward or Reverse direction
o Internal Soft Start (External capacitor to Verr pin)
o Internal ON/OFF Circuit (No-output is Verr pin to GND)
o Bipolar Technology
o Package Outline
PIN CONNECTION
SSOP16







上一篇:NJM2625 技术资料及报价(附PDF文档) 2026-03-15
下一篇:MTD2009J 技术资料及报价(附PDF文档) 2026-03-15

收藏本站
当前位置:






