FAN8200DTF/FAN8200MTCX 技术资料及报价(附PDF文档)
DATASHEET PDF
8200.pdf
Features
• 3.3V and 5V MPU interface
• Dual H-bridge drivers for bipolar stepping motor drives
• Built-in vertical-PNP power transistors
• Wide supply voltage range (VCC = 2.5V ~ 7.0V)
• Low saturation voltage (0.4V@
• Built-in chip enable function for each bridge
• Built-in shoot-through current protection
• Built-in thermal shutdown(TSD) function
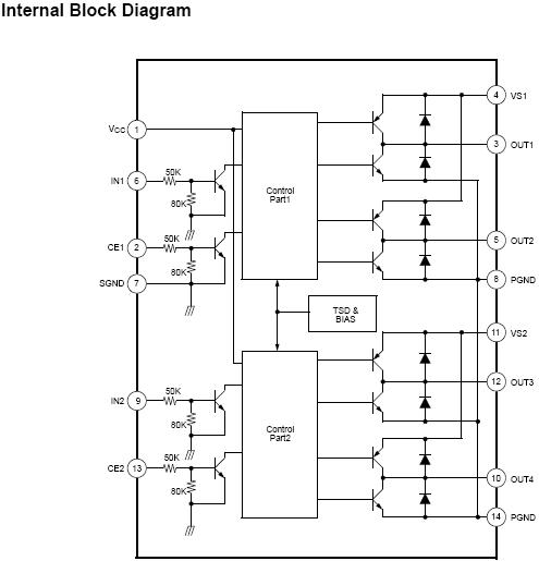
Description
The FAN8200/FAN8200D/FAN8200MTC/FAN8200MP is a
monolithic intergrated circuit designed for two-phase step-
ping motor drive systems. It has dual H-bridge drivers with
vertical-PNP power transistors. Each of the bridges has an
independant enable pin, therefore it can be used for other
applications as well as stepping motor drive systems.
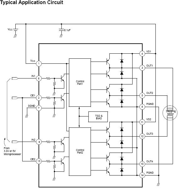
.General low voltage stepping motor driver
.Floppy disk driver
.Camera stepping motor driver
.PC camera or security equipment motion controller
.Two channel DC motor driver for a digital still camera
(DSC)
.MPU interfaced general power driver (buffer)
















上一篇:L298 技术资料及报价(附PDF文档) 2026-03-11
下一篇:UGS3060KA and UGS3059KA original/in stock 报价0755-33062500 附技术资料 (PDF文档) 2026-03-11

收藏本站
当前位置:






