案例中心
\ NewsNews & Events
Kodak Image Sensors Tiny 5-Mpixel chip works in low light without flash
1/4-in.-format device provides the high performance, small size, and low price desired for next-generation cell phones and handheld devices
Employing new color filtering technology unveiled last summer (Electronic Products, July 2007, p. 23 http://www.electronicproducts.com/ShowPage1.asp?FileName=olrc01.jul2007.html), the KAC05020 5-Mpixel image sensor provides what is said to be the best low-light performance, letting users take snapshots in common indoor situations such as birthday parties without the need for flash. Further, the 1/4-in. format imager provides extremely fast auto-focus, and the ability to record 720p HD video with stop motion at 30 fps.

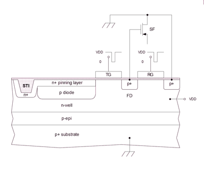
To work in lowest light levels, the chip combines the new filtering approach with a pMOS “hole detector” IC technology (see image) that results in a low SNR found only in considerably larger devices. The small chip size allows it to be incorporated into camera modules measuring as little as 8 x 8 x 4.5 mm and also keeps it price low, which suits it for use in cell phones, digital cameras, and other handheld devices.
With an external I-Pipe, the chip supports such DSC features as image stabilization (antishake), autofocus, face recognition, and optical zoom. The imager can accommodate MIPI or Parallel interfaces. (Less than $5 ea / 1 million -- samples available 2nd qtr, volume shipment 4th qtr.)

收藏本站
当前位置:






