原装正货 大甩卖 A3967,可替代UCN5804(ALLEGRO)代理商 最新原装现货 提供技术参数 PDF
A3967替换UCN5804
【产品名称】 A3967
【产品类别】 并行(转换器)
【产品用途】 微步(最高可达 8 步进/全步进)
【产品规格】 SOIC
【生产厂家】 ALLEGRO
【技术参数】 A3967 DATESHEET
【产品说明】 新产品,常备现货
A3967
Microstepping Driver with Translator
Features
- ±750 mA, 30 V Output Rating
- Satlington® Sink Drivers
- Automatic Current Decay Mode Detection/Selection
- 3.0 V to 5.5 V Logic Supply Voltage Range
- Mixed, Fast, and Slow Current-Decay Modes
- Internal UVLO and Thermal Shutdown Circuitry
- Crossover-Current Protection
Description
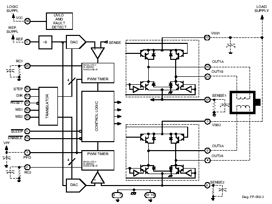
The A3967SLB is a complete microstepping motor driver with built-in translator. It is designed to operate bipolar stepper motors in full-, half-, quarter-, and eighth-step modes, with output drive capability of 30 V and ±750 mA. The A3967SLB includes a fixed off-time current regulator that has the ability to operate in slow, fast, or mixed current-decay modes. This current-decay control scheme results in reduced audible motor noise, increased step accuracy, and reduced power dissipation.
The translator is the key to the easy implementation of the A3967SLB. By simply inputting one pulse on the STEP input the motor will take one step (full, half, quarter, or eighth depending on two logic inputs). There are no phase-sequence tables, high-frequency control lines, or complex interfaces to program. The A3967SLB interface is an ideal fit for applications where a complex µP is unavailable or over-burdened.
Internal circuit protection includes thermal shutdown with hysteresis, under-voltage lockout (UVLO) and crossover-current protection. Special power-up sequencing is not required.
The A3967SLB is supplied in a 24-lead SOIC with copper batwing tabs. The tabs are at ground potential and need no insulation. A leadfree (100% matte tin leadframe) version is also available.
Functional Block Diagram

Part Number
Package Type
RoHS
Temperature
Comments
Compliant
A3967SLB
24-lead SOIC
No
-20 °C to 85 °C
discontinued
A3967SLB-T
24-lead SOIC
Yes
-20 °C to 85 °C
A3967SLBTR
24-lead SOIC
No
-20 °C to 85 °C
discontinued
A3967SLBTR-T
24-lead SOIC
Yes
-20 °C to 85 °C
询价热线:
0755-83283733, 83031813,33062500
QQ:623069669
MSN:sumzi003@sumzi.com sumzi006@sumzi.com
Email:sumzi@sumzi.com
http://www.sumzi.com
上一篇:A3977、可替代UCN5804(ALLEGRO)代理商 最新原装现货 提供技术参数 PDF 2025-12-18
下一篇:TLE4921-5U(INFINEON)经销商 最新到货 提供技术参数 PDF 优势报价 询价直线:83283733 2025-12-18

收藏本站
当前位置:






