全新原装现货 A1323报价 提供技术参数 销售专线:0755-83031813王小姐
【产品名称】A1323EUA
【产品类别】线性霍尔效应传感器
【产品规格】3-pin SIP
【生产厂家】ALLEGRO
请点击红色字体下载技术参数:
A1323EUA.技术参数
A1321 和 A1323 器件旨在分别替代 A3515/7 和 A3516/8 器件。
功能及优点:
温度稳定的静态输出电压
温度周期性变化后精确的可恢复性
输出电压与磁通密度成比例
成比例轨对轨输出
已改善的灵敏度
在 4.5 至 5.5 V 之间工作
抗机械应力
高可靠性
可靠的 EMC 保护
描述:
A132X 系列线性霍尔效应传感器已经优化,具有灵敏、温度稳定等特点。 这些比例式霍尔效应传感器提供与所适用磁场成比例的电压输出。 A132X 系列具有等于电源电压 50% 的静态输出电压,以及 2.5 mV/G、3.125 mV/G 和 5 mV/G 三种输出灵敏度选择。凭借其先进功能,该系列成为恶劣环境下汽车和工业线性及旋转位置感测系统的理想之选。
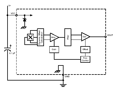
每个器件都具有 BiCMOS 单片电路,该电路集成了已经改进的温度补偿霍尔效应电路,以降低霍尔元件、小型信号高增益放大器和轨对轨低阻抗输出级所固有的灵敏度漂移。
独有的动态偏移取消技术,连同内部高频时钟,可降低通常由器件超模压、温度依存性及热应力引起的残余偏移电压。 高频时钟可支持更高的取样率,从而达到更高的精确度和更快的信号处理能力。 该技术生产出的器件具有极端稳定的静态输出电压,可抗机械应力,并且在温度周期性变化后还具有精确的可恢复性。 将霍尔元件和放大器置于单个芯片中,可将通常与低水平模拟信号相关联的很多问题减到最少。
该产品在制造过程中已在下线时进行内部增益和偏置修正调整,可实现高精度的输出水平。
A132X 系列以两种封装类型提供:3 引脚单列直插式封装 (UA) 和 3 引脚表面安装封装 (LH)。 所有封装均为无铅版本(后缀,–T),引脚框采用 100% 雾锡电镀。
功能方框图
询价热线:
0755-83283733, 83031813,33062500
QQ:623069669
MSN:sumzi003@sumzi.com sumzi006@sumzi.com
Email:sumzi@sumzi.com
http://www.sumzi.com
上一篇:代理销售US1881KUA原装正品现货 2025-12-05
下一篇:A3240 (ALLEGRO)现货热销0755-83283733 2025-12-05

收藏本站
当前位置:






