A3955 原装 现货 供应
【产品名称】A3955SB-T
【产品类别】步进电机驱动IC
【产品规格】16-pin DIP
【生产厂家】ALLEGRO
【技术参数】A3955 技术参数
A3955
Full-Bridge PWM Microstepping Motor Driver
Features
- 1.5 A Continuous Output Current
- 50 V Output Sustaining Voltage
- Internal PWM Motor Control
- 3-Bit Non-Linear DAC
- Fast, Mixed Fast/Slow, and Slow Current-Decay Modes
- Internal Transient-Suppression Diodes
- Internal Thermal Shutdown Circuitry
- Crossover-Current and UVLO Protection
Description
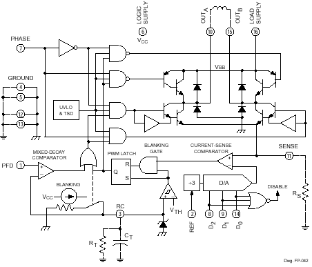
The 3955 is designed for driving one winding of a bipolar stepper motor in a microstepping mode. The outputs are rated for continuous output currents to ±1.5 A and operating voltages to 50 V. Internal pulse-width modulated (PWM) current control combined with an internal three-bit non-linear digital-to-analog converter allows the motor current to be controlled in full-, half-, quarter-, or eighth-step (microstepping) modes. Nonlinear increments minimize the number of control lines necessary for microstepping. Microstepping provides for increased step resolution, and reduces torque variations and resonance problems at low speed.
Internal circuitry determines whether the PWM current-control circuitry operates in a slow (recirculating) current-decay mode, fast (regenerative) current-decay mode, or in a mixed current decay with the remainder of the fixed off time spent in slow current decay. The combination of user-selectable current-sensing resistor and reference voltage, digitally selected output current ratio; and slow, fast, or mixed current-delay modes provides users with a broad, variable range of motor control.
Internal circuit protection includes thermal shutdown with hysteresis, transient-suppression diodes, and crossover current protection. Special power-up sequencing is not required.
The A3955S— is supplied in a choice of two power packages; a 16-pin dual-in-line plastic package with copper heat-sink tabs (suffix 'B'), and a 16-lead plastic SOIC with copper heat-sink tabs (suffix 'LB'). For both package styles, the power tab is at ground potential and needs no electrical isolation. Both packages are available in a lead-free version (leadframe plating 100% matte tin), indicated by suffix -T.
Functional Block Diagram

| Part Number | Package Type | RoHS | Temperature |
| Compliant | |||
| A3955SB | 16-pin DIP | No | -20 °C to 85 °C |
| A3955SB-T | 16-pin DIP | Yes | -20 °C to 85 °C |
| A3955SLB | 16-lead SOIC | No | -20 °C to 85 °C |
| A3955SLB-T | 16-lead SOIC | Yes | -20 °C to 85 °C |
| A3955SLBTR | 16-lead SOIC | No | -20 °C to 85 °C |
| A3955SLBTR-T | 16-lead SOIC | Yes | -20 °C to 85 °C |
询价热线:
0755-83283733, 83031813,33062500
QQ:623069669
MSN:sumzi003@sumzi.com sumzi006@sumzi.com
Email:sumzi@sumzi.com
http://www.sumzi.com
上一篇:A3968(ALLEGRO)代理,原装现货供应,报价热线:0755-83283733 2025-12-04
下一篇:FAN8200MTCX 特价供应 提供 报价 技术参数(PDF文档)下载 产品专线:0755-83031813 2025-12-04

收藏本站
当前位置:






