A1321、A1322 和 A1323 可在高温条件下工作的比例式线性霍尔效应传感器
A1321、A1322 和 A1323
可在高温条件下工作的比例式线性霍尔效应传感器
A1321 和 A1323 器件旨在分别替代 A3515/7 和 A3516/8 器件。 建议这些新器件用于所有新设计。
功能及优点
- 温度稳定的静态输出电压
- 温度周期性变化后精确的可恢复性
- 输出电压与磁通密度成比例
- 成比例轨对轨输出
- 已改善的灵敏度
- 在 4.5 至 5.5 V 之间工作
- 抗机械应力
- 高可靠性
- 可靠的 EMC 保护
描述
A132X 系列线性霍尔效应传感器已经优化,具有灵敏、温度稳定等特点。 这些比例式霍尔效应传感器提供与所适用磁场成比例的电压输出。 A132X 系列具有等于电源电压 50% 的静态输出电压,以及 2.5 mV/G、3.125 mV/G 和 5 mV/G 三种输出灵敏度选择。凭借其先进功能,该系列成为恶劣环境下汽车和工业线性及旋转位置感测系统的理想之选。
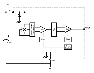
每个器件都具有 BiCMOS 单片电路,该电路集成了已经改进的温度补偿霍尔效应电路,以降低霍尔元件、小型信号高增益放大器和轨对轨低阻抗输出级所固有的灵敏度漂移。
独有的动态偏移取消技术,连同内部高频时钟,可降低通常由器件超模压、温度依存性及热应力引起的残余偏移电压。 高频时钟可支持更高的取样率,从而达到更高的精确度和更快的信号处理能力。 该技术生产出的器件具有极端稳定的静态输出电压,可抗机械应力,并且在温度周期性变化后还具有精确的可恢复性。 将霍尔元件和放大器置于单个芯片中,可将通常与低水平模拟信号相关联的很多问题减到最少。
该产品在制造过程中已在下线时进行内部增益和偏置修正调整,可实现高精度的输出水平。
A132X 系列以两种封装类型提供:3 引脚单列直插式封装 (UA) 和 3 引脚表面安装封装 (LH)。 所有封装均为无铅版本(后缀,–T),引脚框采用 100% 雾锡电镀。
功能方框图
ALLEGRO 相关型号: A3952SB A8904SLPTR-T A1104LUA-T UGL3132UA A1321ELHLT-T A1101ELHLT-T UGN3132UA A8483EEKTR-T A8904SLBTR-T A3260ELHLT A2982SLW A3967SLW-T A1104LU-T QMV902BH5 ATS665LSGTN-T A6801SLW-T A3953SB A3953SLBT A1323LUA A8450KLB-T A6276ELW-T A1212LUA-T ACS712ELC-05B A3281LUA-T A3280LUA-TreplaceA88L) ALL06ELHLT-T A3144ELHT A3214ELHLT L6219DS A3986SLDTR-T A1101LUA-T UGS3060KA UGN3503UA UGN3503U UGN3132UA UDN2982LW-T UDN2981A-T UDN2981A UDN2916LBTR-T UDN2916LBTR UDN2916B-T UDN2916B UDN2878W UDN2595A UDN2543B UCN5818AF UCN5812AF UCN5821A(停产) UCN5812AF UCN5810EPF
UCN5804LBreplaced by A3977/A3967 UCN5801A L6219DSTR ATS674LSETN ATS665LSG ATS612LSB ATS611LSB
ACS750LCA-075 ACS712ELC-30A ACS712ELC-20A ACS712ELC-05A ACS706ELC-05C ACS704ELC-015 A8904SLB A8430EEKTR-T A6275SLWTR A5348CA A3983SLP-T A3980KLP-T A3979SLP-T A3977SLP A3977SEDTR-T A3977SED A3973SLBTR-T A3972SB-T A3972SB A3968SLB-T A3967SLBTR-T A3967SLBTR A3966SLBTR-T A3966SLBTR A3959SB replaced A3952 A3955SLBTR-T A3955SLB A3955SB-T A3936SED-T A3936SED A3932SEQ A3517SUA A3515EUA A3425LL-T A3425LK-T A3422LKA-T A3290XUA A3281LLTTR A3281LLT A3281LLHLT-T A3280LUA(replaceA88L) A3280LLTTR A3280LLHLT-T A3280LLHLT A3280EUA A3280ELHLT A3245LLHLT-T A3245ELHLT-T A3240LUA-T A3240LUA A3240LLHLT-T A3240EUA-T A3240ELHLT A3213EUA-T A3213EUA A3213ELHLT-T A3212ELHLT A3212EEHLT-T A3212EEH A3210ELHT(replacement by A3212 and A3213) A3210ELHLT A3187LUA-T A3187LLTTR-T A3172XUA
A3144LU replaced by A1104 A3144EU-T replaced by A1104
A3144EUA-T replaced by A1104 A3144EUA replaced by A1104
A3144EU replaced by A1104 A3144ELT replaced by A1104
A3142LUA replaced by A1101 A3142LLT A3141LUA(replaced by A1101) A3141LUA A3141EUA A3141EU A3121LU A3121ELT A3056LU A3046LU A1321LUA-T A1321LLHLT-T A1302UA A1302EUA-T A1302EUA A1106EUA-T A1106ELHLT-T A1104EU-T A1104EUA-T A1102LUA-T A1102LLTTR-T A1102LLHLT-T A1101LUA (replace A3141LUA) A1101LLHLT-T A1101EU-T A1101EUA-T A11011LLHLT-T A3955SB SKHMPSE010 AO4606 AP5200 7C256-15JC 7C256-12JC ACS712ELCTR-05B-T ACS712ELCLU-05C-T A3977SLP-T A3212EUA-T
此类产品本公司大量原装现货热卖
询价热线:
0755-83283733, 83031813,33062500
QQ:623069669
MSN:sumzi003@sumzi.com sumzi006@sumzi.com
Email:sumzi@sumzi.com
上一篇:A3515LUA 最新到货 可在高温条件下工作的比例计量线性霍尔效应传感器 2025-12-10
下一篇:MURS120T3 ON 原装快恢复整流二极管 2025-12-10

收藏本站
当前位置:






