最新到货 A3977SED-T 特价供应 0755-33062500转802 王小姐
A3977SED 详细介绍
A3977SED-T 型号ALLEGRO品牌系列产品 A3977SED-T
A3977SED-T 批号 07+ROHS
A3977SED-T 数量 大量现货
A3977SED-T 封装 44-lead PLCC
A3977SED-T 包装 450PCS/盘
A3977SED-T 备注 全新原装现货,07年无铅
A3977SED-T PDF技术资料
A3977SED-T 报价 请联系:0755-33062502 转802 王小姐
主要特点及应用:
(1)额定输出为:±2.5A,35V.
(2)低输出阻抗,源端0.45Ω,接收端0.36Ω.
(3)自动电流衰减检测并选择混合、快和慢等电流衰减模式.
(4)逻辑电平范围为3.0~5.5V.
(5)HOME输出.
(6)降低功耗的同步整流功能.
(7)内部低压关断、热停车电路及环流保护.
A3977
带转换器的微步 DMOS 驱动器
特点
- ±2.5 安培 35 伏特输出率
- 低 rDS(ON)输出(一般为 0.45 欧源极,0.36 欧灌电流)
- 自驱电流衰减模式检测/选择
- 3.0 至 5.5 伏特逻辑电源电压范围
- 混合、快与慢电流-衰减模式
- 自动导向输出
- 对低功率耗散同步整流
- 内部欠压锁定 (UVLO) 及过热关机电路
- 交叉电流保护
描述
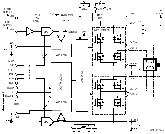
A3977SED 与 A3977SLP 是两个完整的微步电动机驱动器,带有内置转换器。 二者可在整体、1/2、1/4 及 1/8 步进模式时操作双极步进电动机,输出驱动器容量为 35 伏特及±2.5 安培。A3977 包括一个固定停机时间电流稳压器,该稳压器可在低、快或混合衰减模式下工作。 此电流衰减控制方案能减少可听到的电动机噪音、增加步进精确度并减少功率耗散。
转换器是 A3977 易于实施的关键。 通过简单的在"步进"输入中输入一个脉冲,电动机会产生步进(完整、1/2、1/4 或 1/8 步进,根据两个逻辑输入的情况而定)。 该程序中没有相位顺序表、高频率控制行或复杂的界面。 A3977 界面非常适合复杂的 µP 不可用或过载的应用。
内部同步整流控制电路用来改善脉宽调制 (PWM) 操作时的功率消耗。
内部电路保护包括因滞后引起的过热关机、欠压锁定 (UVLO) 及交叉电流保护。 不需要特别的加电排序。
A3977 具有两种功率封装可供选择,即带铜质蝙蝠翼状片的 44 引脚塑料 PLCC 以及带外露隔热盘的(后缀为 LP)的较薄(<1.2 毫米)28 引脚 TSSOP。 该 SLP 封装是无铅产品,且引脚框采用 100% 雾锡电镀。
功能方框图

完整型号
|
型号 |
封装类型 |
RoHS符合性 |
温度 |
|
A3977SED |
44-铅 PLCC |
否 |
-20 °C 至 85 °C |
|
A3977SED-T |
44-铅 PLCC |
是 |
-20 °C 至 85 °C |
|
A3977SEDTR |
44-铅 PLCC |
否 |
-20 °C 至 85 °C |
|
A3977SEDTR-T |
44-铅 PLCC |
是 |
-20 °C 至 85 °C |
|
A3977SLP |
28-铅 TSSOP |
否 |
-20 °C 至 85 °C |
|
A3977SLP-T |
28-铅 TSSOP |
是 |
-20 °C 至 85 °C |
|
A3977SLPTR |
28-铅 TSSOP |
否 |
-20 °C 至 85 °C |
|
A3977SLPTR-T |
28-铅 TSSOP |
是 |
-20 °C 至 85 °C |
|
A3977KED-T |
44-铅 PLCC |
是 |
-40 °C 至 125 °C |
|
A3977KEDTR-T |
44-铅 PLCC |
是 |
-40 °C 至 125 °C |
|
A3977KLP-T |
28-铅 TSSOP |
是 |
-40 °C 至 125 °C |
|
A3977KLPTR-T |
28-铅 TSSOP |
是 |
-40 °C 至 125 °C |
询价热线:
0755-83283733, 83031813,33062500
QQ:623069669
MSN:sumzi003@sumzi.com sumzi006@sumzi.com
Email:sumzi@sumzi.com
上一篇:新到现货 A3212 特价热卖供应 2025-12-07
下一篇:特价现货 A3955SB-T 销售专线:0755-33062500转802 2025-12-07

收藏本站
当前位置:






