A3967SLP 无刷电机驱动IC
A3979SLP-T 包装
A3979SLP-T 备注 原装正品,无铅现货,步进电机驱动IC
A3979SLP-T 技术资料
A3979SLP-T.pdf
A3979SLP-T 相关型号
A3979SLP-T 报价 0755-33062500
A3979SLP-T 技术资料
A3979SLP-T.pdfA3967
Microstepping Driver with Translator
Features
- ±750 mA, 30 V Output Rating
- Satlington® Sink Drivers
- Automatic Current Decay Mode Detection/Selection
- 3.0 V to 5.5 V Logic Supply Voltage Range
- Mixed, Fast, and Slow Current-Decay Modes
- Internal UVLO and Thermal Shutdown Circuitry
- Crossover-Current Protection
Description
The A3967SLB is a complete microstepping motor driver with built-in translator. It is designed to operate bipolar stepper motors in full-, half-, quarter-, and eighth-step modes, with output drive capability of 30 V and ±750 mA. The A3967SLB includes a fixed off-time current regulator that has the ability to operate in slow, fast, or mixed current-decay modes. This current-decay control scheme results in reduced audible motor noise, increased step accuracy, and reduced power dissipation.
The translator is the key to the easy implementation of the A3967SLB. By simply inputting one pulse on the STEP input the motor will take one step (full, half, quarter, or eighth depending on two logic inputs). There are no phase-sequence tables, high-frequency control lines, or complex interfaces to program. The A3967SLB interface is an ideal fit for applications where a complex µP is unavailable or over-burdened.
Internal circuit protection includes thermal shutdown with hysteresis, under-voltage lockout (UVLO) and crossover-current protection. Special power-up sequencing is not required.
The A3967SLB is supplied in a 24-lead SOIC with copper batwing tabs. The tabs are at ground potential and need no insulation. A leadfree (100% matte tin leadframe) version is also available.
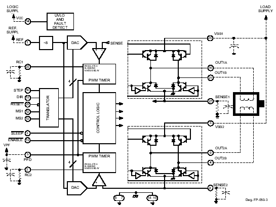
Functional Block Diagram
Part Number
Package Type
RoHS
Part Composition/
Temperature
Samples
Compliant
RoHS Data
A3967SLB
24-lead SOIC
No
view data
-20 °C to 85 °C
samples not available
A3967SLB-T
24-lead SOIC
Yes
view data
-20 °C to 85 °C
A3967SLBTR
24-lead SOIC
No
view data
-20 °C to 85 °C
samples not available
A3967SLBTR-T
24-lead SOIC
Yes
view data
-20 °C to 85 °C
samples not available
询价热线:
0755-83283733, 83031813,33062500
QQ:623069669
MSN:sumzi003@sumzi.com sumzi006@sumzi.com
Email:sumzi@sumzi.com
上一篇:ALLEGRO电机驱动选型号大全 2025-12-06
下一篇:A3955及PIC16C621A运用资料 2025-12-06

收藏本站
当前位置:






