锂电池保护IC S-8254 特点 现货热卖
发布时间:2009-04-04 浏览:5522次
SEIKO 品牌系列产品 S-8254AAFFT-TB-G S-8254AABFT-TB-G S-8254AAAFT-TB-G
技术参数索取,欢迎与我联系!
特点:
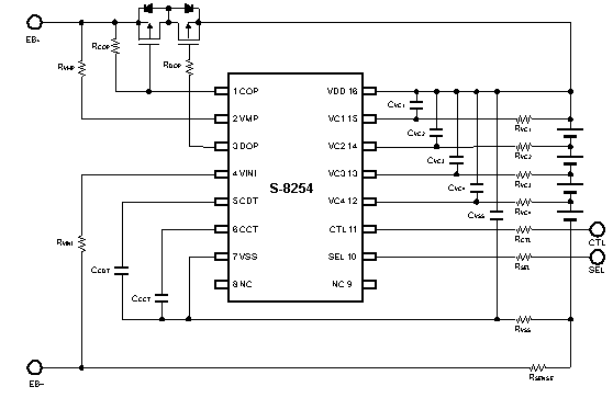
电路图:
询价热线:
0755-83283733, 83031813,33062500
QQ:623069669
MSN:sumzi003@sumzi.com sumzi006@sumzi.com
Email:sumzi@sumzi.com
http://www.sumzi.com
技术参数索取,欢迎与我联系!
特点:
- (1) 针对各节电池的高精度电压检测功能
•过充电检测电压n (n = 1 ~ 4) 3.9 ~ 4.4 V (50 mV级进) 精度±25 mV
•过充电解除电压n (n = 1 ~ 4) 3.8 ~ 4.4 V*1 精度±50 mV
•过放电检测电压n (n = 1 ~ 4) 2.0 ~ 3.0 V (100 mV级进) 精度±80 mV
•过放电解除电压n (n = 1 ~ 4) 2.0 ~ 3.4 V*2 精度±100 mV
(2) 3段过电流检测功能
•过电流检测电压1 0.05 ~ 0.30 V (50 mV级进) 精度±25 mV
•过电流检测电压2 0.5 V 精度±100 mV
•过电流检测电压3 VC1 ( 1.2 V 精度±300 mV
(3) 通过外接部件的容量可设置过充电检测延迟时间、过放电检测延迟时间和过电流检测延迟时间1
(过电流检测延迟时间2、过电流检测延迟时间3为内部固定)
(4) 通过SEL端子可以实现3节串联用/4节串联用的切換
(5) 通过控制端子可以控制充放电
(6) 采用高耐压元件 绝对最大额定值 26 V
(7) 宽工作电压范围 2 ~ 24 V
(8) 宽工作温度范围 ( 40 ~ + 85 °C
(9) 低消耗电流 工作时 30 µA 最大值 (+ 25 °C) ; 休眠时 0.1 µA 最大值 (+ 25 °C)
(10) 封装 16-Pin TSSOP
(11) 无铅产品
*1. 过充电滞后电压n (n = 1 ~ 4)为0 V或者可在0.1 V ~ 0.4 V的范围内以50 mV级进来选择
(过充电滞后电压=过充电检测电压-过充电解除电压)
*2. 过放电滞后电压n (n = 1 ~ 4) 为0 V或者可在0.2 V ~ 0.7 V的范围内以100 mV级进来选择
(过放电滞后电压=过放电解除电压-过放电检测电压)
电路图:

上一篇:好消息!EW632 到货啦! 2025-12-11
下一篇:砷化镓霍尔 THS119 特点及应用(附图) 2025-12-11

收藏本站
当前位置:






