NJM2626 原装现货,可售样品,可看货
型号规格:
NJM2626
厂家:
JRC(日本)
类型:
带PWM控制的三相DC无刷电动机控制前级驱动IC
最大绝对额定值-工作电压[V]:
28
最大绝对额定值-工作电流[mA]:
±40
推荐工作条件-逻辑[V]:
6 to 26
推荐工作条件-电机[V]:
推荐工作条件-输出电流[mA]:
±30
电流消耗[mA]:
12
控制模式:
120°方波
TSD:
no
电流控制:
yes
LD:
no
输出信号:
休眠控制:
PWM
封装:
SSOP16
DATASHEET PDF技术资料下载
NJM2626.pdf
NJM2624AM 批号 08+ROHS
NJM2624AM 数量 30000
NJM2624AM 封装 16-lead SOIC
NJM2624AM 包装 2000PCS/REEL
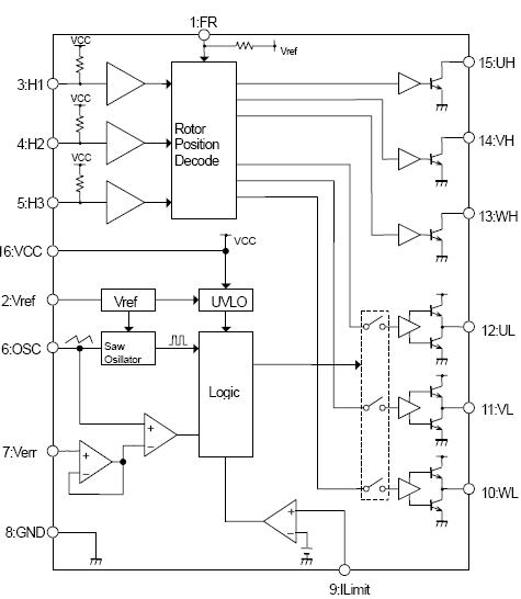
NJM2626是带PWM控制的三相DC无刷电动机控制前级驱动IC。它吸收霍尔IC输入,生成电动机驱动波形。输出前级驱动器经优化可与外部功率MOS晶体管一起使用,以实现更好的功率处理。NJM2626可以很容易地实现带速度控制功能的3相DC电动机应用。
- ●工作电压范围 (VCC= 6 到 26V)
- ●前级驱动电路 (下臂:(一般情况下,Iout=+30mA/-30mA)
上臂:(一般情况下Iout=30mA)) - ●限流感测电压 (0.5V±10%)
- ●内部振荡器 (使用外部电容器进行频率控制)
- ●前进或后退方向
- ●内部软启动功能 (外部电容器到Verr针脚)
- ●内部ON/OFF控制 (外部电容器到Verr针脚)
- ●双极技术
- ●封装图 (SSOP-16)
GENERALDESCRIPTION
The NJM2626 is a 3-phase DC brush less motor control
pre-driver IC with PWM control.
It takes hall IC inputs and generates motor driving
waveform.
Output pre-driver is optimized to work with external power
MOS transistors for better power handling.
The NJM2626 can easily implement 3-phase DC motor
application with speed control feature.
PACKAGE OUTLINE
NJM2626V
FEATURES
o Operating Voltage
o Pre-driver circuit
6 to 26V
Lower arm : (Iout=+30mA/-30mATYP.)
Upper arm : (Iout=30mATYP.)
o Current limit sense voltage (Current limit=0.5V±10%)
o Internal Oscillator
(Frequency control for external capacitor)
o Forward or Reverse direction
o Internal Soft Start (External capacitor to Verr pin)
o Internal ON/OFF Circuit (No-output is Verr pin to GND)
o Bipolar Technology
o Package Outline
PIN CONNECTION
SSOP16







询价热线:
0755-83283733, 83031813,33062500
QQ:623069669
MSN:sumzi003@sumzi.com sumzi006@sumzi.com
Email:sumzi@sumzi.com
http://www.sumzi.com
上一篇:NJM2626 详细资料 附技术参数 2025-12-13
下一篇:直流无刷电机驱动NJM2624 库存信息 2025-12-13

收藏本站
当前位置:






