产品概述:
A3282
Chopper-Stabilized Hall-Effect Latch
Features
- Chopper stabilization
- Superior temperature stability
- Extremely low switchpoint drift
- Insensitive to physical stress
- Reverse battery protection
- Output short circuit protection
- Solid state reliability
- Small size
- Robust EMC capability
- High ESD ratings (HBM)
Description
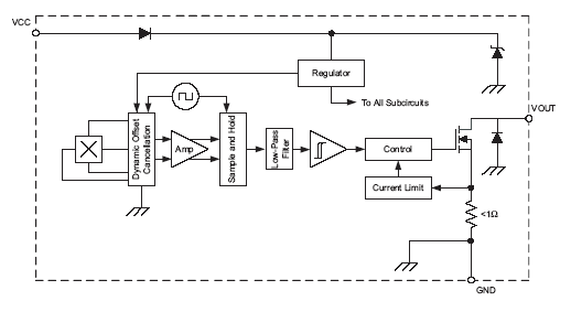
The A3282 Hall-effect sensor is a temperature stable, stress-resistant latch. Superior high-temperature performance is made possible through an Allegro® patented dynamic offset cancellation that utilizes chopper-stabilization. This method reduces the offset voltage normally caused by device overmolding, temperature dependencies, and thermal stress. The A3282 complements the current Allegro family of chopper-stabilized latching sensors.
The A3282 includes the following on a single silicon chip: voltage regulator, Hall voltage generator, small-signal amplifier, chopper stabilization, Schmitt trigger, and a short circuit protected open-drain output. Advanced BiCMOS wafer fabrication processing is used to take advantage of low-voltage requirements, component matching, very low input-offset errors, and small component geometries.
This device requires the presence of both south and north polarity magnetic fields for operation. In the presence of a south polarity field of sufficient strength, the device output latches on, and only switches off when a north polarity field of sufficient strength is present.
The A3282 is rated for operation between the ambient temperatures –40°C and 85°C for the E temperature range, and –40°C to 150°C for the L temperature range. The two package styles available provide magnetically optimized solutions for most applications. Package LH is an SOT23W, a miniature low-profile surface-mount package, while package UA is a three-lead ultramini SIP for through-hole mounting. Each package is available in a lead (Pb) free version, with 100% matte tin plated leadframes.
Functional Block Diagram
