产品概述:
1. 目前交流电机一般数字控制系统的构成及各部分的功能介绍
交流电机的一般数字控制系统是指以工业计算机为核心,控制对象为各种交流电机的开环或闭环的控制系统。一般情况下为了提高交流电机的控制精度和动态特性我们均采用闭环控制的方式。
针对交流电机的不同类型,目前已经典型应用的控制系统有以下几种:
同步电机控制系统,异步电机控制系统,开关磁阻电机控制系统等。虽然不同的控制方式控制原理不同,但是系统的构成和各部分的功能基本一致。
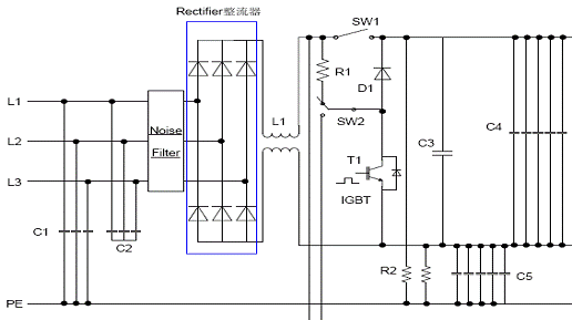
1) 电源系统 电源系统是指将输入系统的动力电源转换成用于驱动交流电机的直流或交流电源,根据实际控制方式的不同,一般可以分为“交直交”电压源型逆变电路,“交直交”电流源型逆变电路,“交交”型变频电路以及泵电源电路等。图1是“交直交”电压源型电源系统的典型电路,如果将并联的滤波电容去掉,在直流侧串联一个大滤波电感则为“交直交”电流源型电路。


图1
2) &
nbsp; 微处理器板
微处理器是用来实现交流电机各种数字控制算法的硬件平台。主要组成如下:
a)
CPU,通常根据系统的复杂程度选择通用单片机或专用的DSP芯片
b) RAM,ROM,EPROM,CPU外围驱动芯片组
c) 实时钟,通讯接口
d) 总线系统,用来连接主机板和各种外围系统支持板,接口板等。主要有STD总线,工业PC总线,VME总线等
e) 在实时内核上运行的各种控制算法(U/F控制,矢量控制,直接转矩控制,无速度传感器控制等)
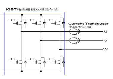
3) 功率开关器件
功率开关器件通过根据来自微处理器板的控制信号控制大功率输出器件的关断和导通,来实现对交流电机的输出电流和电压的控制。根据控制方式的不同,其输出方式由方波输出逐渐发展到PWM输出或SPWM输出。开关器件也由原来的GTR,MOSFET,发展到IGBT,IPM等。参见下面的典型IGBT逆变输出电路。


图2
4) 接口和外围设备
接口和外围设备主要用来连接外部的输入装置和数字控制系统的各种数字量,模拟量等被控量的反馈信号。
a) 数字输入输出接口,主要分为并行输入输出接口扩展和串行输入输出接口扩展,主要用来扩展系统外部存储器和数字量的输入输出。
b) 模拟量输入输出接口,主要分为数/模转换器和模/数转换器。来自微处理器的数字量控制信号经过D/A转换成模拟量信号输出到外围控制部件,同样系统外部的各种传感器信号(电压,电流,温度等)也经过A/D转换成数字量信号经过总线系统传送到CPU中进行相应的控制。
c) 通信接口,主要分为并行通信和同步或异步串行通信。使用通信接口可以将多个处理器系统连接起来实现故障诊断,软件监控,多台交流电机联动控制等功能。
d) 键盘与显示接口,用来实现人机交互。
更多精彩请点击响拇指官方网站:http://www.sumzi.com