电动机应用的日益广泛,使其驱动控制的研究也越来越成为人们研究的热点。随着功率VMOS器件以及绝缘栅双极晶体管(IGBT)器件的广泛运用,更多场合使用VMOS器件或IGBT器件组成桥式电路,例如开关电源半桥变换器或全桥变换器、直流无刷电机的桥式驱动电路、步进电机驱动电路,以及逆变器的逆变电路。本文介绍了IR21844功率驱动集成芯片在直流无刷电机的桥式驱动电路中的应用。该芯片是一种双通道、栅极驱动、高压高速功率器件的单片式集成驱动模块,在芯片中采用了高度集成的电平转换技术,大大简化了逻辑电路对功率器件的控制要求,同时提高了驱动电路的可靠性。尤其是上管采用外部自举电容上电,使得驱动电源数目较其他IC驱动大大减少。对于典型的6管构成的三相桥式逆变器,采用3片IR21844驱动3个桥臂,仅需1路10~20 V电源。这样,在工程上大大减少了控制变压器的体积和电源数目,降低了产品成本,提高了系统可靠性。
1 IR21844主要特点及技术参数
IR21844集成驱动芯片与目前应用的集成驱动芯片相比,具有以下特点:
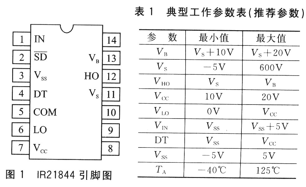
◆该芯片为标准14引脚单片式结构,图1为其引脚
分布图;
◆设有悬浮截获电源可自举运行,其高端工作电压最高达600 V,抗du/dt干扰能力为50 V/ns,15 V时静态功耗为1.6 W;
◆输出栅极驱动电压范围较宽,为10~20 V;
◆IR21844采用CMOS工艺制作,逻辑电路和功率电路共用一个电源,电压范围为10~20 V,适应TTL或CMOS逻辑信号输入;
◆采用CMOS施密特触发输入,以提高电路抗干扰能力;
◆具有独立的高端和低端2个输出通道,两路通道均带有滞后欠压锁定功能;
◆容许逻辑电路参考地(VSS)与功率电路参考地(COM)之间有一5~+5 V的偏移量;
◆死区时间可调。
图1中,引脚1(IN)是逻辑输入控制端;引脚6和12是2路独立的输出,分别是L0(低端输出)和H0(高端输出);引脚7和13分别是VCC(低端电源电压)和VB(高端浮置电源电压);引脚5(COM)是低端电源公共端;引脚11和3分别是VS(高端浮置电源公共端)和VSS(逻辑电路接地端);引脚2(SD)是输出关闭控制端;引脚4(DT)是可调的死区时间输入端。


其推荐典型工作参数如表1所列,动态传输延迟时间参数如表2所列。


2 典型应用电路
图2为IR21844的典型应用电路。Vcc接电源端,为逻辑部件和功率器件供电;IN端接输入控制信号,一般接PWM信号;输出端HO和LO的波形分别与IN端输入波形逻辑相同和相反,幅值有一定的放大(10~20 V),输入/输出时序图如图3所示;SD端接低电平时,H0和LO正常输出,接高电平时,2个输出端被封锁;DT为死区时间调整端,因为桥式电路同一桥路的上下管不能同时导通,否则会造成管子短路,因此需要一个死区时间。由于H0和LO的输出逻辑相反,所以从逻辑上来说,不会造成直通,但是在换向的瞬间仍有可能造成直通。可在DT端外接一个电阻Rdt,通过调整该电阻的阻值就可以调节死区时间;同时,开通延时时间为680 ns,大于关断延时时间的270 ns,从而避免桥路的直通,死区时间典型值为5μs(如表2所列)。


图2中,C2为自举电容。在T2导通、T1关断期间,VCC经D1、C1、负载、T2给C1充电,以确保当T2关断、T1导通时,T1管的栅极靠Cl上足够的储能来驱动。这就是高端的自举供电。若负载阻抗较大,C2经负载降压充电较慢,使得T2关断、T1导通,C2上的电压仍充电不到自举电压8.3 V以上,那么输出驱动信号会因欠压被片内逻辑封锁,T1就无法正常工作。为此,C2的选择就显得很重要,一般用1个大电容和1个小电容并联使用,在频率为20 kHz左右的工作状态下,选用1.0μF和0.1μF电容并联。并联高频小电容用来吸收高频毛刺干扰电压。驱动大容量的IGBT时,在工作频率较低的情况下,要注意自举电容电压稳定性问题,上管的驱动波形峰顶如果出现下降的现象,则要选取大的电容。
显然每个周期T1开关一次,C2就通过T2开关充电一次,因此自举电容C2的充电还与输入信号IN的PWM脉冲频率和脉冲宽度有关。当PWM工作频率过低时,若T1导通脉宽较窄,自举电压8.3 V容易满足;反之,无法实现自举。因此,要合理设置PWM开关频率和占空比调节范围,C2的容量选择考虑如下几点:
①PWM开关频率高,C2应选小电容。
②尽量使自举上电回路不经大阻抗负载,否则应为C2充电提供快速充电通路。
③对于占空比调节较大的场合,特别是在高占空比时,T2导通时间较短,C2应选小电容。否则,在有限时间内无法达到自举电压。
④C2的选择应综合考虑PWM变化的各种情况,监测H()、VS脚波形进行调试是最好的方法。
根据表1,VB高于VS电压的最大值为20 V,为了避免VB过电压损坏IR21844,电路中增加了稳压二极管D1。电路中D2的功能是防止T1导通时高电压串入VCC端损坏该芯片,因此其耐压值必须高于总线峰值电压,故采用功耗小的快恢复二极管。与VCC端相连的电容C3是去耦电容,用于补偿电源线的电感。
3 场效应管驱动电路的改进
如图2所示,典型应用电路是由IR21844驱动2个N沟道MOSFET管或IGBT组成的半桥驱动电路。固定的栅极参考输出通道(L0)用于下端连接的功率场效应管T2,浮动的栅极输出通道(HO)用于上端连接的功率场效应管T1。
以驱动N沟道MOSFET管为例来介绍。功率MOS—FET是电压型驱动器件,没有少数载流子的存储效应,输入阻抗高,因而开关速度可以很高,驱动功率小,电路简单。但功率MOSFET的极间电容较大,其等效电路如图4所示。


输入电容Ciss、输出电容Coss和反馈电容Crss与极间电容的关系可表示为:


IR21844不能产生负偏压,如果用于驱动桥式电路,由于极间电容的存在,在开通和关断时刻,栅漏极间的电容CGD有充放电电流,容易在栅极上产生干扰。针对这一不足,可以在栅极限流电阻(R1和R2)上分别反并联一个二极管(D3和D4)来解决,该二极管可以加快极间电容上的电荷的放电速度。
功率器件的栅源极的驱动电压一般为CM()S电平(5~20 V),因此要在栅极增加保护电路。电路中稳压二极管D5、D6限制了所加栅极电压,电阻R1、R2进行分压,同时也降低了栅极电压。
功率器件T1、T2在开关过程中会产生浪涌电压,这些浪涌电压会损坏元件,所以电路中采用稳压二极管D5、D6钳位浪涌电压。
更多精彩请点击响拇指官方网站:http://www.sumzi.com