- 产品概述
- 技术参数
- 功能框图
- 数据表
产品概述:
步进电机又称脉冲电动机,是数字控制的一种执行元件。它是随着计算机控制系统发展而发展起来,利用电脉冲信号进行控制,将电脉冲信号转换成相应的角位移或者线位移的电动机。对于步进电机控制系统,运动控制器就像是它的中枢神经系统,指挥着它的每个动作。本文以步进电机为控制对象,继承传统步进电机控制的优点,研制高性能步进电机驱动器及控制系统。2
步进电机控制器是步进电机控制系统重要部分,控制器接收上位机发送的指令,并根据指令向各步进电机发出控制信号,各个电机的驱动器则将控制信号转变成直接驱动步进电机的电信号,实现步进电机的控制。采用PC机的控制系统,其软硬件资源丰富,柔性极强。图1为控制器总体结构图。
单片机的种类是很多的,有PIC系列、Motorola系列、Intel系列8051类单片机等。各个系列的单片机各有所长,在处理速度、稳定性、I/O能力、功耗、功能齐全、价格等方面各有优劣。这些种类繁多的单片机家族,给我们单片机的选择提供了很大的余地。Intel公司生产的51系列单片机具有功能强大、价格低廉、体积小、开发工具易操作等特点,在市场中占有很大的份额,是一种比较通用且经济实惠的产品。因而本系统中选用了40管脚的51单片机ATMEL89C51作为主控芯片。
3
3.1
通过EPP并行口可以简单方便地设计出各种接口应用电路,其设计方法与总线方式更为接近,由于它所用的信号线十分有限,必须把数据的传送分为两个周期。
EPP口的数据与地址分时复用8位数据/地址总线,其资源相对较少,并且在EPP口中只有WRITE,
3.2
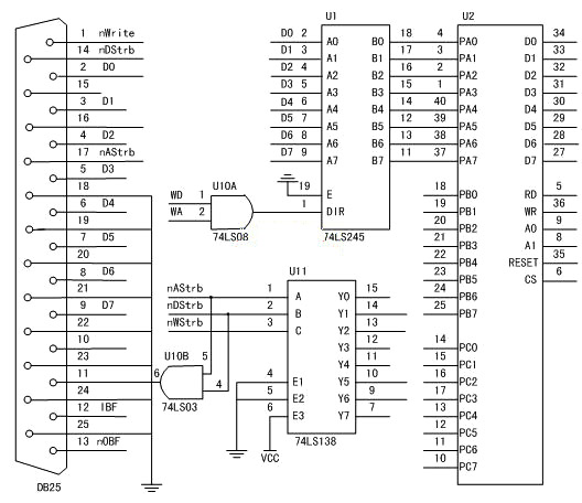
尽管所有的打印机口均有17根信号传输线,然而这些信号线的性能确存在着差别,例如输出电阻、抗干扰能力等都有所不同。IEEE488描述了两个级别的打印机性能标准:一级和二级。二级标准可以提供比原始打印口或一级标准大的多的电流。EPP和ECP模式均可以提供二级标准。电路设计中采用8D双向总线发送/接收器74LS245作为驱动电路,74LS245在电路中起缓冲、隔离作用,还有一定的保护和控制作用。当E有效时,74LS245的输入/输出方向由DIR控制。因此,若将DIR接固定TTL电平,则74LS245为单向缓冲器。一般都是使用它的双向传输功能。为此,DIR必须可控,使其根据需要变为高电平或低电平,并与E相结合控制数据传输方向。
光隔离器具有体积小、寿命长、无触点、抗干扰能力强、输入输出之间绝缘、单向传输信号等优点。利用光隔离器将控制器与外部的驱动电路隔离开来,使得外部电路的变化不至于影响或者损坏控制系统,从而提高系统的可靠性,增强抗干扰能力。光隔离器最重要的参数是电流传输比CTR,应注意通常其值为0.2~0.9。输入数字信号提供一定的电流(5~10mA)时,光隔离器才会把放大的数字电平输出。
光隔离器联结时注意信号正负逻辑。光隔离器的输入、输出端地线必须互相隔开,并且输入、输出端两个电源必须单独供电,否则,如果使用同一电源外部干扰信号可能通过电源串到系统中来。
3.3
所谓复位,就是要让单片机以及单片机系统在正式工作前处于一种特定状态,只有以该状态为起点,随后的工作才可控制,系统才能够可靠性的工作。上电和复位电路如图3所示:
复位信号的产生有3种方式:外部复位电路上电或手动复位、监督定时器溢出复位、执行指令RST。监督定时器溢出产生复位信号和执行RST指令产生复位信号属于89C51内部复位控制逻辑,其前提是单片机已开始运行程序。比较实用的复位方式是上电复位。此种方法是从RESET脚连接一个合适的电容到地,每lμs时间需电容约1~2μF。电路上电时,电容C迫使RESET引脚处于电平,然后由内部上拉器件将RESET引脚拉向高电平。此电路仅适用与VCC上升较快的情况。当系统掉电时,二极管为电容C提供了迅速放电的通路,从而保护系统在反复通电时均能可靠复位。
3.4
单片机应用系统比较小巧,一般存储量也不会很大,因此,大都采用静态RAM
AT89C51单片机芯片内部有一个用于构成振荡器的高增益反向放大器,输入端与输出端为XTAL1和XTAL2,与作为反馈元件的片外晶体振荡器一起构成一个自激振荡器。外接晶体以及电容C1和C2构成并联谐振电路,接在放大器的反馈回路种,这时内部振荡器便自激振荡,对C1和C2的大小会影响振荡器频率的高低、振荡器的稳定性、起振的快速性等。外接晶体时,C1和C2值常选择为30pF左右,本系统选C1和C2值为30pF。
3.5
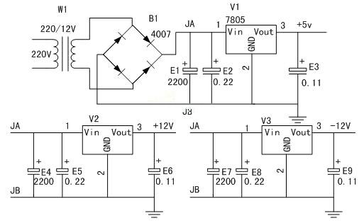
控制系统能否稳定、可靠的工作,电源的设计是非常重要的。在本系统中,需要三种电源:+5V,
电源电路如图4所示。该电路由变压器、桥式整流器B1、滤波电容和集成稳压块7805,
4
为了使控制系统各种硬件设备能够正常运行,有效地实现实时控制和管理,除了要设计合理的硬件电路,还必须要有高质量的软件支持。系统软件设计包括单片机应用软件和PC机应用软件。单片机软件采用MCS-51汇编语言编写,PC机软件采用Delphi7.0编写。单片机程序主要实现了位置控制、过程控制、信号处理、插补、通信处理等功能;PC机软件主要是对数据的进一步处理,实现了人机界面、实时位置动态显示、曲线显示等功能。
更多精彩请点击响拇指官方网站:http://www.sumzi.com

收藏本站
当前位置:



简要描述:
打印当前页
免费咨询:0755-83031813
发邮件给我们:sumzi@sumzi.com














