产品概述:
整流电路广泛应用在直流电机调速,直流稳压电压等场合。而三相半控整流桥电路结构是一种常见的整流电路,其容易控制,成本较低。本文中介绍了一种基于 PIC690单片机与专用集成触发芯片TC787的三相半控整流电路,它结合专用集成触发芯片和数字触发器的优点 ,获得了高性能和高度对称的触发脉冲。它充分利用单片机内部资源 ,集相序自适应、系统参数在线调节和各种保护功能于一体,可用于对负载的恒电压控制。主电路采用了三相半控桥结构,直流侧采用LC滤波结构来提高输出的电压质量。
系统总体设计
本系统通过PIC690单片机作为主控制芯片,用晶闸管作为主要开关器件。设计的目标是保持输出的直流电压稳定,输出电压纹波小,交流输出测电流THD较低,性能可靠。
系统主要电路包括:三相桥式半控整流电路、同步信号取样电路、单片机控制电路、晶闸管触发电路。首先,由同步信号取样电路得到同步信号并送集成触发芯片TC787,经过零检测,再进行相应的延时以实现移相。单片机中的ADC负责采集直流母线电压,根据电压的设定值与实际值的偏差经过PI运算来调节给定输出。PIC单片机将电压的参考值输出到TC787,由TC787实现对晶闸管的移相触发,以实现整流调压。硬件电路的整体框图如图1所示。

图1 系统硬件整体框图
主电路设计
主电路采用三相桥式半控整流电路,直流测采用LC滤波电流结构,主电流原理图如图2所示。半控桥选择SEMIKRON公司的SKDH146/120-L100模块,该模块额定电流140A,额定电压1200V。直流侧采用LC滤波电路结构,比单独电容滤波效果好。此外,还可以提高交流输入侧的电流THD。直流侧主要的谐波含量为工频的6倍及6的整数倍,设计LC低通滤波时要避免含量较高的谐波引起的谐振。在本设计中选取电感5mH,滤波电容480μF。

图2 主电路结构
从电网获得的三相电压经同步电路整形后,送给集成触发芯片TC787引脚18AT、引脚2 BT和引脚1CT。TC787内部集成有3个过零和极性检测单元、3个锯齿波形成单元、3个比较器、1个脉冲发生器、1个抗干扰锁定电路和1个脉冲分配及驱动电路数字给定移相控制电压,能进行相序自动识别。
控制电路设计
采用PIC16F690作为控制芯片。PIC16F690单片机内部自带10位AD;宽工作电压(2.0~5.5V);低功耗;带有PWM输出功能;内部自带晶振。用芯片内部自带10位AD,对采集到的直流侧电压进行AD转换。为了降低硬件成本,直接采分压电阻代替电压传感器来采集直流侧电压,分压电阻上的电压经过两个反向比例电路到单片机。单片机的模拟地和信号地直接相连(也可以通过磁珠相连,以减小干扰)。PIC16F690单片机通过一个IO口使能或禁止芯片TC787的输出,如图3所示。当PIC单片机的I/O口RC3输出高电平(+5V)时,Lock口为低电平;当单片机I/O口RC3输出低电平时,Lock为高电平(+15V)。选用一个IO口作为TC787参考电压的给定信号,采用PWM脉冲方式,调节占空比来调节输出电压, PWM波经过一个RC低通滤波器后为一个近似直流信号,用这个信号作为参考电压给定Uref,其范围为0~5V。由于芯片TC787所需的给定输入范围为0-15V,所以PWM波要经过一个光耦进行电平转换,如图3所示。

图3 控制电路硬件结构
电网电压经过同步变压器输入到TC787,TC787的6脚输出高时双脉冲或低时单宽脉冲。12、11、10引脚分别为A、B、C的触发输出端,经过脉冲变压器输出到晶闸管。
触发驱动电路设计
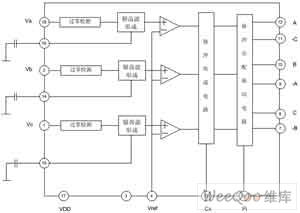
触发芯片选择高性能晶闸管三相移相触发集成电路TC787。TC787可单电源工作,亦可双电源工作,主要适用于三相晶闸管移相触发和三相功率晶体管脉宽调制电路,以构成多种交流调速和变流装置。TC787的内部结构如图4所示。

图4 TC787芯片内部结构
在本设计中,TC787采用15V供电,引脚4(Vr):移相控制电压输入端。该端输入电压的高低直接决定着TC787/TC788输出脉冲的移相范围,应用中接给定环节输出。引脚5(Pi):输出脉冲禁止端。该端用来进行故障状态下封锁TC787/TC788的输出,高电平有效,应用中,接保护电路的输出。同步电压输入端:引脚1(Vc)、引脚2(Vb)及引脚18(Va)为三相同步输入电压连接端。应用中,分别接输入滤波后的同步电压,同步电压的峰值应不超过TC787/TC788的工作电源电压VDD
更多精彩请点击响拇指官方网站:http://www.sumzi.com