收藏本站
|
语言选择
English
简体中文
繁体中文
首页
案例中心
安防监控
工业
家电
交通运输
信息技术
产品中心
霍尔IC
单极霍尔IC
全极霍尔IC
双极锁存霍尔IC
线性霍尔IC
微功耗霍尔IC
风扇型霍尔IC
特殊型霍尔IC
霍尔元件
砷化镓霍尔
锑化铟霍尔
磁阻传感器
霍尔电流传感器
芯片式
模组式
霍尔齿轮传感器
水流量传感器
大功率LED手电筒
光电开关
车速里程表传感器
变压器
高压变压器
低频变压器
新闻资讯
合作伙伴
技术支持
资料下载
常见问题
关于我们
资讯
产品
下载
案例中心
\
News
了解
当前位置:
首页
>
案例中心
>
了解
>
详情
安防监控
工业
家电
交通运输
信息技术
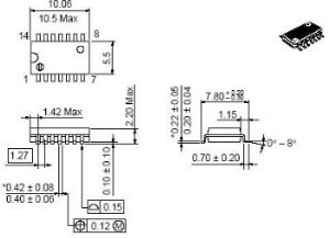
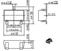
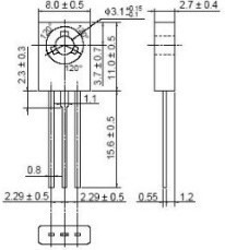
瑞萨-日立(RENESAS-HITACHI) 芯片外形尺寸
发布时间:2007-07-16
浏览:6598次
DO-35
MPAK
DP-8
DP-14
DP-16
DP-20N
FP-14
TO-126 MOD
TO-92
TO-92L
TTP-16
关闭窗口
上一篇:
KEC 芯片外形尺寸
2026-04-13
下一篇:
NEC 芯片外形尺寸
2026-04-13
关于响拇指
公司概况
代理品牌
联系我们
产品与方案
案例中心
产品中心
技术支持
解决方案
资料下载
购买方式
官网直销
阿里巴巴
淘宝
咨询热线
友情链接:
霍尔元件应用
霍尔开关选型
霍尔开关
华强电子网
与非网
电子发烧友
案例中心
|
产品中心
|
解决方案
|
新闻资讯
|
合作伙伴
|
技术支持
|
联系我们
Copyright © 2002-2026 深圳响拇指电子科技有限公司 版权所有
粤ICP备11091659号
0755-83031813