NEC 芯片外形尺寸
发布时间:2007-07-16 浏览:7375次
DIP-8![]() |
DIP-20![]() |
DIP-24![]() |
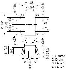
MINIMOLD-4PIN![]() |
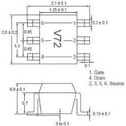
MINIMOLD-POWER![]() |
MINIMOLD-SUPER 6PIN |
MINIMOLD-SUPER 3PIN![]() |
PLCC-28![]() |
PLCC-44![]() |
QFP-44![]() |
QFP-52![]() |
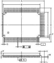
QFP-100![]() |
QFP-80![]() |
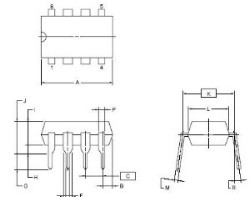
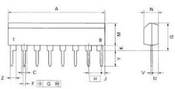
SIP-8![]() |
SP-8![]() |
SST![]() |
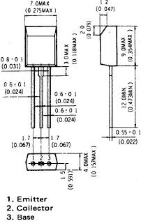
TO-92![]() |
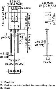
TO-126![]() |
![]() |
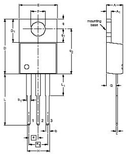
TO-220AB![]() |
MP-3![]() |
MP-3Z![]() |
上一篇:瑞萨-日立(RENESAS-HITACHI) 芯片外形尺寸 2026-03-14
下一篇:SANKEN 三肯 芯片外形尺寸 2026-03-14

收藏本站
当前位置:




























