TA8428K(S) 技术资料及报价(附PDF文档)
20TA8428K.pdfFULL BRIDGE DRIVER
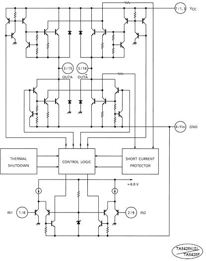
The TA8428K (S), TA8428F is Full Bridge Driver IC for Brush
Motor Rotation Control.
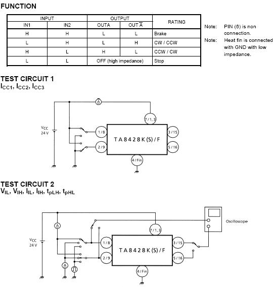
Forward Rotation, Reverse Rotation, Stop and Braking operations
are available.
Thermal Shutdown and Short Current Protector are provided.
FEATURES
Output Current : TA8428K (S) 1.5 A (AVE.), 3.0 A (PEAK)
TA8428F
0.8 A (AVE.), 2.4 A (PEAK)
4 modes (forward / reverse / short brake and stop) are
available with 2 TTL compatible inputs control.
Free wheeling diodes are equipped.
Multi protection system driver
(Thermal shutdown and short current protector)











响拇指报价热线:
0755-83031813,83283733, 33062500
QQ:623069669
MSN:sumzi003@sumzi.com sumzi006@sumzi.com
Email:sumzi@sumzi.com
http://www.sumzi.com
上一篇:IRF630 技术资料及报价(附PDF文档) 2026-03-12
下一篇:LB11696V 详细规格书及技术资料和报价(附PDF文档) 2026-03-12

收藏本站
当前位置:






