NJM2624AM 技术资料及报价(附PDF文档)
发布时间:2007-09-17 浏览:12990次
DATASHEET PDF
2624.pdf
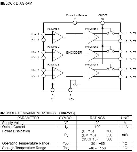
GENERAL DESRIPTION
The NJM
pre-driver which requires external power-transistors
suited to drive current of the motor.
The Run Enable function is used as PWM control
FEATURES
●Operating Voltage
●Low Operating Current
●Run Enable
●Forward or Reverse Direction
●Output Switch Current
●Bipolar Technology
●Package Outline






上一篇:LB1836M 技术资料及报价(附PDF文档) 2026-03-15
下一篇:NJM2625 技术资料及报价(附PDF文档) 2026-03-15

收藏本站
当前位置:






