特价出售 A3966 提供技术参数 询价热线:0755-83031813/王小姐
点击红色字体查看技术参数:
A3966.技术参数
【产品名称】A3966SLBTR-T
【产品类别】双路全桥式 PWM 电动机驱动器
【产品规格】16-pin SOIC
【生产厂家】ALLEGRO
【产品说明】全新原装现货,06年无铅,详情请直接电话与我联系!
A3966
双路全桥式 PWM 电动机驱动器
特点
- ±650 毫安连续输出电流
- 30 伏特输出电压率
- 内部固定频率 PWM 电流控制
- Satlington® 灌电流驱动器
- 用户可选择空白窗口
- 内部接地钳位和反激二极管
- 内部过热关机电路
- 交叉电流和欠压锁定 (UVLO) 保护
描述
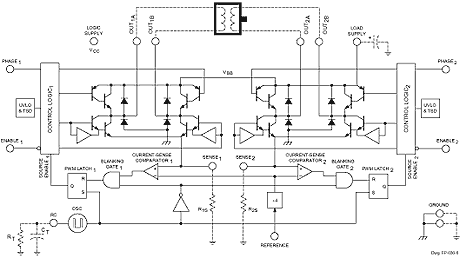
A3966SA 与 A3966SLB 可驱动双相双极步进电动机的两个绕阻。 每个器件包括两个能够连续输出电流为 ± 650 毫安以及操作电压至 30 伏特的 H 电桥。可通过内部固定频率、脉宽调制 (PWM) 及电流控制电路来控制电动机绕阻电流。 用户'可通过选择参考电压和电流感测电阻设置峰值载荷电流限制。 除了封装样式及输出脚以外,这两个器件是一样的。
用户可通过选择外部 RC 计时网络设置固定频率脉冲持续时间。 RC 计时网络中的电容器也可以确定用户可选择空白窗口,该窗口在开关转换过程中可防止对 PWM 电流控制电路的误触发。
为减少芯片功率耗散,已优化 H 电桥功率输出,以适应低饱和电压。 汲入型驱动器具有 Allegro' 已取得专利的 Satlington® 输出结构。 Satlington 输出将饱和晶体管的低电压降落与达林顿高峰值电流容量相结合。
每个电桥的"相位"输入可通过选择适当的源极与汲入型驱动器件控制负载电流的极性。 每个电桥的"启用"输入持高时,禁用输出驱动器。 不需要特别的加电排序。 内部电路保护包括因滞后引起的过热关机、接地钳位反激二极管及交叉电流保护。
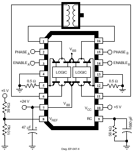
A3966SA 采用 16 引脚双列直插式塑料封装。 A3966SLB 采用带铜散热片的 16 引脚塑料 SOIC 封装。 功率标签处于地电位之下,不需要电绝缘。 A3966SLB 是无铅版本,且引脚框采用 100% 雾锡电镀。
典型应用
功能方框图
|
型号 |
封装类型 |
RoHS 符合性 |
温度 |
|
A3966SA |
16-引脚 DIP |
否 |
-20 °C 至 85 °C |
|
A3966SLB |
16-铅 SOIC |
否 |
-20 °C 至 85 °C |
|
A3966SLB-T |
16-铅 SOIC |
是 |
-20 °C 至 85 °C |
|
A3966SLBTR |
16-铅 SOIC |
否 |
-20 °C 至 85 °C |
|
A3966SLBTR-T |
16-铅 SOIC |
是 |
-20 °C 至 85 °C |
|
A3966ELB-T |
16-铅 SOIC |
是 |
-40 °C 至 85 °C |
|
A3966ELBTR-T |
16-铅 SOIC |
是 |
-40 °C 至 85 °C |
询价热线:
0755-83283733, 83031813,33062500
QQ:623069669
MSN:sumzi003@sumzi.com sumzi006@sumzi.com
Email:sumzi@sumzi.com
http://www.sumzi.com
上一篇:代理全新原装SANKEN系列产品 STA475A报价 拥有大量库存 销售专线:0755-83031813/王小姐 2025-12-07
下一篇:特价供应 A3980驱动器 提供技术参数 报价 咨询专线:0755-83031813/王小姐 2025-12-07

收藏本站
当前位置:






