特价供应 A3980驱动器 提供技术参数 报价 咨询专线:0755-83031813/王小姐
发布时间:2009-04-09 浏览:4416次
点击红色字体查看技术参数:
A3980KLP.pdf
A3980KLP.pdf 【产品名称】A3980KLP-T
【产品类别】带转换器的汽车 DMOS 微步驱动器
【产品规格】28-lead TSSOP
【生产厂家】ALLEGRO
【产品说明】全新原装现货,06年无铅,详情请直接电话与我联系!
A3980
带转换器的汽车 DMOS 微步驱动器
特点
- 典型应用至±1 安培,35 伏特输出率
- 低 RDS(ON) 输出,0.67 Ω 源极 0.54 Ω 典型灌电型
- 自驱电流衰减模式检测/选择
- 3.0 至 5.5 伏特逻辑电源电压范围
- 混合、快与慢电流衰减模式
- 对低功率耗散同步整流
- 内部过压锁定(OVLO)、欠压锁定 (UVLO) 与过热关机电路
- 交叉电流保护
- 对电源/接地短路及短路/低负载电流诊断
描述
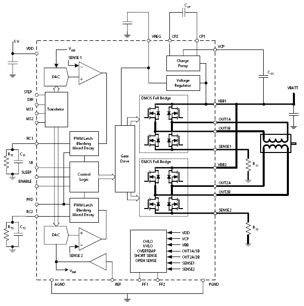
A3980 是一款完全的微步电动机驱动器,带有内置转换器,易于操作。 该器件可在高达 35 伏特及 1 安培情况下整体、1/2、1/4 及 1/8 及 1/16 步进模式中操作双极步进电动机。A3980 包括一个固定停机时间电流稳压器,该稳压器可在低、快或混合衰减模式下操作。 这可以减少可听到的电动机噪音、增加步进精确度并减少功率消耗。
转换器是 A3980 易于实施的关键。 只要在"步进"输入中输入一个脉冲,即可驱动电动机产生一个微步。 该程序中没有相位顺序表、高频率控制行或复杂的界面。 A3980 界面非常适合复杂的 P 不可用或过载的应用。
内部同步整流控制电路用来改善脉宽调制 (PWM) 操作时的功率消耗。
内部电路保护包括: 因滞后引起的过热关机、过压锁定(OVLO)、欠压锁定(UVLO)及交叉电流保护。 不需要特别的加电排序。 另外,两个诊断错误标记会在电动机机翼上提供短路或断路的指示。
A3980 采用低厚度(1.1 毫米)、带外露隔热盘的 28L TSSOP 封装。 该器件也是无铅产品,且引脚框采用 100% 雾锡电镀。
功能方框图

|
型号 |
封装类型 |
RoHS 符合性 |
温度 |
|
A3980KLP |
28-铅 TSSOP |
否 |
-40 °C 至 125 °C |
|
A3980KLP-T |
28-铅 TSSOP |
是 |
-40 °C 至 125 °C |
|
A3980KLPTR |
28-铅 TSSOP |
否 |
-40 °C 至 125 °C |
|
A3980KLPTR-T |
28-铅 TSSOP |
是 |
-40 °C 至 125 °C |
询价热线:
0755-83283733, 83031813,33062500
QQ:623069669
MSN:sumzi003@sumzi.com sumzi006@sumzi.com
Email:sumzi@sumzi.com
http://www.sumzi.com
上一篇:特价出售 A3966 提供技术参数 询价热线:0755-83031813/王小姐 2025-12-15
下一篇:SS413现货热销AKE(旭化成)代理:83283733 2025-12-15

收藏本站
当前位置:






